產品中心
風洞系統

產品介紹
- 概述
風洞是能人工產生和控制氣流以模擬物體周圍氣體的流動, 用于各種測風儀器的檢定以及進行空氣動力學實驗的一種管道壯實驗設備。
- 結構及工作原理
1、結構
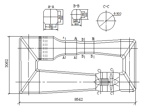
風洞結構見圖:
圖1 風洞結構圖
DHS—Ⅰ型(500×500/700×700)方形風洞外形尺寸為6.6 m×2.4m×1.6m。
DHS—Ⅱ型(520×520/720×720)圓形風洞外形尺寸為10 m×3.7 m×1.8m。 2、工作原理
風機產生的氣流通過第二回流段,第三拐角段,第三回流段,第四拐角段,穩定段,第一收縮段,第一工作段,第二收縮段,第二工作段,擴壓段,第一拐角段,第一回流段,第二拐角段后進入風機進口,完成一個循環過程,氣流在洞體內作循環運動。
風機采用軸流式風機,由變頻器控制三相交流電機轉速,從而達到工作段所需的不同風速。
三、主要技術參數
1、DHS—Ⅰ型工作段尺寸
a、第一工作段尺寸:700mm×700mm(八角形);
b、第二工作段尺寸:500mm×500mm(八角形)。
2、DHS—Ⅰ型工作段流速范圍:0.20~30m/s。
a、第一工作段流速范圍:0.20~15m/s;
b、第二工作段流速范圍:1.0~30m/s。
3、DHS—Ⅱ型工作段尺寸
a、第一工作段尺寸:720mm×720mm(圓形);
b、第二工作段尺寸:520mm×520mm(圓形)。
4、DHS—Ⅱ型工作段流速范圍:0.20~60m/s。
a、第一工作段流速范圍:0.20~20m/s;
b、第二工作段流速范圍:1.0~60m/s。
5、工作段流速均勻性相對標準偏差:≤0.5% 1.0﹪。
6、工作段流速穩定性相對偏差:≤0.2% 0.5﹪。
7、噪聲:﹤80dB。(15m/s以下)
8 風洞洞體安裝場地及供電要求:
(1) (DHS—Ⅰ型)洞體尺寸:長×寬×高 約6.6m×2.4 m×1.6m。
建議安裝場地: 長×寬×高 約8m×5m×3m
(2)(DHS—Ⅱ型)洞體尺寸:長×寬×高 約10.0m×3.7 m×1.8m。
建議安裝場地: 長×寬×高 約12m×6m×3m
(3)電源電壓: AC380V±10%
(4)功 耗: (DHS—Ⅰ型)5.5kw,(DHS—Ⅱ型)10kw
6.5.3 安裝場地要有良好的接地端
6.5.4風洞洞體進入房間門的開度:
寬×高 約1.4m×高1.8m