靜力水準儀的產品結構及數據傳輸注意事項有哪些?
- 發布時間:2019-10-24
- 發布者: 本站
- 來源: 原創
- 閱讀量:
靜力水準系統是測量兩點間或多點間相對高程變化的精密儀器。主要用于大壩、核電站、高層建筑、礦山、滑坡、橋梁等垂直位移和傾斜的監測。靜力水準系統一般安裝在被測物體等高的測墩上或被測物體墻壁等高線上,通常采用一體化模塊化自動測量單元采集數據,通過有線或無線通訊與計算機連接,從而實現自動化觀測。
那么靜力水準儀的產品結構及數據傳輸注意事項有哪些呢?
系統的結構
靜力水準系統的結構由靜力水準儀及安裝架、液體連通管及固定配件、通氣連通管及固定配件、干燥管、液體等組成。安裝方式分為測墩式安裝和墻壁式安裝兩種方式,視現場條件和設計要求選定。
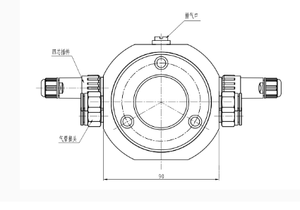
產品結構圖:
靜力水準儀工作原理:
靜力水準系統又稱連通管水準儀,系統至少由兩個觀測點組成,每個觀測點安裝一套靜力水準儀。靜力水準儀的貯液容器相互用通液管完全連通,貯液容器內注入液體,當液體液面完全靜止后系統中所有連通容器內的液面應同在一個大地水準面上,此時每一容器的液位由傳感器測出差異沉降。
數據傳輸注意事項
數據傳輸電纜線必須避開大功率電源、射頻信號源和其它有噪聲的傳輸線等。電纜的屏蔽線必須完好無斷線,用二次儀表讀取數據時傳感器的屏蔽線必須連接儀表地端。二次儀表必須具備防雷措施。
推薦閱讀:
靜力水準儀的優勢特點介紹
不同結構的土壓力盒在準確度和和設計上有哪些區別?
壓力盒應用對于建筑安全施工的重要意義有哪些?
土壓力盒埋設測試方法和步驟如何進行
鋼筋計在基坑監測中的應用及工作原理介紹
如何對水位計進行沖洗?


